Griffe mit Gewinde bei KUALA

Gewindehandgriffe sind vielseitige Bedienelemente wie Hebel oder Knäufe. Bei KUALA stellen wir sie aus verschiedenen Materialien und in vielen Ausführungen für die Industrie her. Dank moderner Fertigung können wir schnell große Mengen bereitstellen. Neben Standardformen erfüllen wir gern auch Sonderwünsche, um die Griffe mit Gewinde ganz nach Ihren Anforderungen zu produzieren.

Weiterlesen

Handgriff TB (T-Griff) | Kuala Kunststofftechnik GmbH
Handgriff TB (T-Griff) - Technische Zeichnung | Kuala Kunststofftechnik GmbH

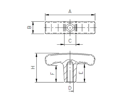
Handgriff TB

Produkt Verfügbarkeit: Out of stock

T-Griff aus einem glasfaserverstärktem Thermoplast mit Messing-Innengewinde

Technische Daten

Handgriff (T-Griff) aus einem glasfaserverstärktem Thermoplast mit Messing - Innengewinde– Ausführung/Serie: TB

Artikel-Nr.BeschreibungABCHDEF
5107381050.90TB/56 M6561413x1332M 61619
5107381060.90TB/68 M6681413x1332M 61619
5107381065.90TB/68 M8681415x1535M 82220
5107381080.90TB/81 M8812018x1839M 82220
5107381085.90TB/81 M10812018x1839M102220
5107381090.90TB/81 M12812018x1839M122220

Material

glasfaserverstärktes Thermoplast

Farbe

Standardfarben

Farbe RAL Nummer FF
schwarz ähnlich RAL 9005 90

Sonderfarben: auf Anfrage mit Mindestmengen möglich

Hinweis

siehe Zeichnung/Grafik

(Sondergewindeeinsätze etc. auf Anfrage möglich)

Handgriffe mit Gewinde – viele Branchen setzen auf KUALA-Qualitätsprodukte

Bedienknöpfe und Handgriffe mit einem Gewinde nehmen einen wichtigen Platz in unserer Gesamtauswahl für Handgriffe und Bedienelemente ein. Je nach Griff verfügen die Werkstücke über ein eingearbeitetes Gewinde oder einen außen liegenden Gewindebolzen. Weitere Extras und Details sind in unserem Sortiment ebenfalls erhältlich. Gewinde und Gewindebolzen aus Stahl oder anderen Metallen passen wir nach Ihren Wünschen individuell an. Diese Vielzahl an Varianten und Kombinationsmöglichkeiten ergibt eine umfangreiche Produktpalette, auf die viele Unternehmen und Industrien zurückgreifen. Hebel und Griffe mit Gewinde sind dabei nicht nur bei Maschinen oder Fahrzeugen unverzichtbar.

Anwendungsbeispiele für Griffe mit Gewinde:

  • Maschinenbau: an Geräten/Maschinen, etwa um Teile zu justieren oder zu befestigen sowie als Bedienelemente
  • Fahrzeuge/Fahrzeugbau: an Komponenten oder Autoteilen für eine optimale Handhabung
  • Werkzeuge: unverzichtbar an Hand- und Elektrowerkzeugen für bessere Kontrolle und Schutz
  • Küchengeräte: an diversen Küchenutensilien (Töpfen, Pfannen etc.) Sportgeräte: wichtig für optimales Handling von Sportgeräten sowie als Hebel oder Griff am Fahrrad
  • Möbelbau: Griffe mit Gewinde finden sich an Schränken, Schubladen, Türen und vielen anderen Möbeln
  • Bau- und Konstruktionsanwendungen: vielfältig in der Bauindustrie sowie beim Zusammenfügen von Bauteilen

Zahlreiche Varianten unserer Griffe mit Gewinde

In unserem Angebot stehen verschiedene Griffe zur Auswahl, die als Handgriffe oder Hebel gefertigt sind. Auch die Bedienbarkeit variiert: Sie können gedreht oder umgelegt werden. Überdies bieten wir Handgriffe in T-Form und flache Bedienknöpfe als Knäufe oder Kugelknöpfe mit Messinggewindeeinsatz an. Die Gewinde und Gewindebolzen bestehen aus Edelstahl oder Messing und können wahlweise verzinkt sein. Die meisten Griffe mit Gewinde sind schwarz. Wenn Sie Produkte in weiteren RAL-Farben wünschen, melden Sie sich gern bei uns. Bei entsprechender Bestellmenge realisieren wir sogar Sonderfarben!

Bei den von uns verwendeten Duroplasten handelt es sich unter anderem um Phenoplaste (PF). Das Material ist als Handgriff ideal geeignet und zeichnet sich durch eine hohe Festigkeit und Steifigkeit, eine hervorragende Wärme- sowie eine gute chemische Beständigkeit aus.

Die Thermoplaste kommen ebenfalls enorm häufig bei KUALA zur Herstellung verschiedenster Bedienelemente zum Einsatz. In etlichen Anwendungen punktet dieses Material mit hoher Schlagzähigkeit, geringem Gewicht und einer guten elektrischen Isolierung. Hinzu kommt, dass es recycelbar ist.

Wir freuen uns auf Ihre Anfragen und beraten Sie gern zu den Verfahren und Produkten in unserer Auswahl. Gemeinsam finden wir die optimalen Artikel, die zu Ihren Bedürfnissen passen und stellen diese in Ihrer Wunschmenge zügig für Sie her!

Lassen Sie sich jetzt beraten und nehmen Kontakt mit unseren Experten auf.

Oder rufen Sie uns gerne an +49 (0) 2685 98867 0

FAQ

Welche Vorteile bieten Griffe mit Gewinde im Vergleich zu anderen Befestigungsarten?

Griffe mit Gewinde ermöglichen eine sichere und verstellbare Verbindung, die für eine einfache Montage und Demontage sorgen. Sie bieten eine präzise Justierung und sind ideal für Anwendungen mit häufiger Anpassung. Sie sind in verschiedenen Größen und Designs erhältlich.

Wie werden die Gewinde in Kunststoffgriffen hergestellt?

Die Gewinde in Kunststoffgriffen können entweder durch Schneiden, Formen, Gießen oder das Spritzgussverfahren hergestellt werden. Bei der Spritzgussproduktion wird das geschmolzene Material in eine Form injiziert, die das gewünschte Gewindeprofil enthält, sodass der Griff direkt mit dem Gewinde entsteht.

Kontaktieren Sie uns

Geben Sie bitte Ihre Firma an.
Wählen Sie bitte die richtige Anrede.
Geben Sie bitte Ihren Vornamen an.
Geben Sie bitte Ihren Nachnamen an.
Geben Sie bitte Ihre Emailadresse an.
Geben Sie bitte Ihre Telefonnummer an.
Geben Sie bitte eine Artikelnummer an.
Bitte stellen Sie Ihre Anfrage.
Zur Nutzung unserer Online-Formulare müssen Sie, unsere Datenschuzterklärung lesen und akzeptieren.

KUALA KUNSTSTOFFTECHNIK

Bahnhofstraße 6a
D-57641 Oberlahr

Produktsuche