Branchen und Anwendungen für Spannhebel aus Kunststoff und Metall
Bedienelemente und Griffe dieser Art sind in Industriestätten und Werkshallen häufiger anzutreffen. Die Hebel haben entweder eine innenliegende Kerbeverzahnung oder werden von uns zum Einführen mit einem Gewindebolzen produziert. In beiden Fällen nutzen Sie die Spannhebel jeweils zum Einstellen bestimmter Positionen und Spannzustände.
Ein Unterschied, der auch die beiden Namen erklärt, liegt in folgendem Punkt: Klemmhebel sind entweder verstellbar oder starr. Während bei den verstellbaren Varianten immer von Klemmhebeln die Rede ist, werden diejenigen mit starren Eigenschaften manchmal Spannhebel genannt.
Im Maschinen- und Werkzeugbau und an etlichen Handwerksarbeitsplätzen dienen unsere Produkte zum Fixieren. Beim Anbauen der Spannhebel an Maschinen sind sie ebenso zu finden wie als wichtige Helfer bei Sportanlagen oder beim Möbelbau. Etwas speziellere Ausführungen sind in der Messtechnik unverzichtbar. In weiteren sehr alltäglichen Anwendungen werden sie oft intuitiv eingesetzt: beispielsweise bei Rollstühlen, Fußstützen oder dem Fixieren von Kamera- beziehungsweise Stativpositionen.
Unsere Klemmhebel und Spannhebel – Beschaffenheit und Material
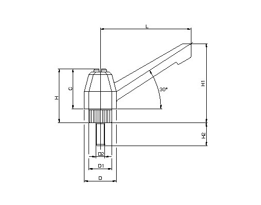
Wir sind viele Jahre in der Branche tätig und wissen, dass individuelle und vielseitige Bedienelemente in verschiedensten Bereichen benötigt werden. Daher bieten wir eine große Palette an Artikeln an. Dabei handelt es sich um rund ein Dutzend Ausführungen in etlichen Abmessungen und Größen, die Sie jeweils in einer Tabelle auf der Produktseite einsehen können.
Wir sind stets offen für Ideen, Vorschläge und Wünsche für individuelle Anpassungen, falls Sie Bedarfe haben, die von uns aktuell nicht abgedeckt werden. Schildern Sie uns gern in Ihrer unverbindlichen Anfrage alle Details zu Ihrem Wunsch und wir geben Ihnen zeitnah Feedback, ob dieser von uns realisiert werden kann – in der Regel ist das der Fall!
Überdies geben wir Ihnen bestimmte Auswahlmöglichkeiten zu unseren Artikeln, etwa was die Materialbeschaffenheit angeht. Die Spannhebel aus Kunststoff bestehen standardisiert aus glasfaserverstärktem Thermoplast mit Messinggewindeeinsatz oder – im Fall von Bolzen – mit einem verzinkten Gewindebolzen. Teilen Sie uns gern mit, ob Sie Einsätze aus Stahl, Messing oder Edelstahl für Ihre Klemmhebel wünschen.
Artikelauswahl Klemmhebel-Typ:
- KFB, Gewinde
- KFP, Bolzen
- KRB, Gewinde
- KRBX, Gewinde
- KRP, Bolzen
- LRB, Gewinde
- LRP, Bolzen
- MAB, Gewinde
- MAB/C, Gewinde
- MAP, Bolzen
Ergänzt wird die obige Auswahl mit unserem verstellbaren Klemmhebel aus Zink-Druckguss mit schwarzem Stahleinsatz. Diesen erhalten Sie in besonders vielen Varianten bei uns: ab einer Länge von 42 mm bis 80 mm und den Gewinden M4 bis M8 nach Norm DIN 13-1.
Die Hebel weisen je eine etwas unterschiedliche Form und Beschaffenheit auf: rund oder eckig, gerade oder mit leichter Wölbung, glatt oder mit schraffierten Griffflächen. Das Material Thermoplast ist in den meisten klassischen Anwendungsfällen die beste Wahl. Neben einer hervorragenden Haptik bietet es Resistenzen gegenüber einer breiten Temperaturspanne.
Sie erhalten alle Varianten unserer Klemmhebel und Spannhebel aus Kunststoff in schwarzer Farbe sowie modellabhängig in weiteren RAL-Farben. Ab einer bestimmten Mindestmenge stellen wir jedoch sämtliche Spannhebel in Ihrer Wunschfarbe oder auch Sonderfarben her.
Klemmhebel beim Spezialisten bestellen
Kommen Sie zu KUALA Kunststofftechnik, wenn Sie hochwertige Klemm- und Spannhebel von einem erfahrenen Hersteller benötigen. Wir sind Produzent für etliche Artikel rund um Bedienung, Verschluss, Abdeckung und mehr aus hochwertigen Kunststoffmaterialien.
Profitieren Sie von unserer breiten Auswahl an Kunststoff-Spannhebeln und Klemmhebeln, wahlweise mit Messing- oder Stahlgewinde beziehungsweise -bolzen. Wir freuen uns auf Ihre Anfrage und stellen Ihre Wunschartikel schnellstmöglich in der von Ihnen bestimmten Menge her.






