Ölmessstäbe aus thermoplastischem Kunststoff
Ölmessstäbe sind unerlässliche Komponenten in vielen industriellen Anwendungen. Insbesondere in Bereichen, in denen die stetige Kontrolle von Ölständen unverzichtbar für die Funktionalität und Langlebigkeit von Maschinen und Anlagen ist.
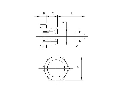
Kuala Kunststofftechnik bietet Ölmessstäbe aus thermoplastischem Kunststoff in unterschiedlichen Varianten an. Alle sind aus temperaturbeständigem Material gefertigt und überzeugen durch ihre Materialqualität, Präzision und Langlebigkeit.
Vielfältige Produktpalette für unterschiedliche Anforderungen
Das Sortiment umfasst verschiedene Modelle, die auf spezifische Anforderungen zugeschnitten sind. Sämtliche Kuala-Ölmessstäbe sind mit ölbeständigen Gummidichtungen ausgestattet, die eine zuverlässige Abdichtung gewährleisten und dadurch das Austreten von Öl verhindern.
Die verwendeten thermoplastischen Kunststoffe Polyethylen (PE), Polypropylen (PP) und Polycarbonat (PC) bieten eine hohe Beständigkeit gegenüber chemischen Einflüssen und Temperaturschwankungen.






